產品概述
氣動凸耳式中線蝶閥由凸耳式蝶閥和氣動執行器兩部分組成,氣源驅動閥桿帶動圓形蝶板作啟閉件并隨閥桿轉動來開啟、關閉和調節流體,從而實現現場作和遠距離集中控制的要求。被廣泛應用在化工、石油、造紙、消防管道、排水、污水、食品、供暖、燃氣、船舶、水電、冶金、能源系統以及輕紡等行業。
產品特點
1、該閥小型輕便,容易拆裝及維修,并可在任意位置安裝。
2、結構簡單、緊湊,90°回轉開啟迅速。
3、操作扭矩小,省力輕巧。
4、該閥流量特性趨于直線,調節性能好。
5、啟閉試驗次數多達數萬次,壽命長。
6、密封件可更換,密封可靠達到雙向密封,氣體試驗泄漏為零。
7、密封材料耐老化、耐腐蝕、可適用多種介質。

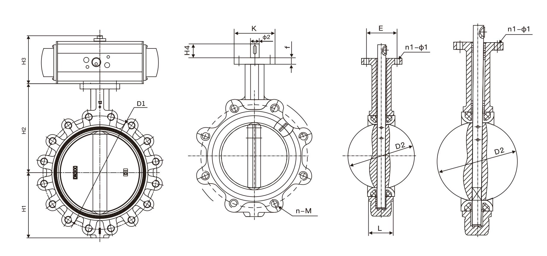
主要外形連接尺寸
|
公稱通徑 DN |
英寸 |
主要尺寸(mm) PN10/PN16 |
執行器尺寸 |
||||||
|
L |
D2 |
H1 |
H2 |
n-Φd |
A |
P |
B |
||
|
50 |
2 |
43 |
125 |
193 |
80 |
4-16 |
163 |
96 |
76 |
|
65 |
2-1/2 |
46 |
145 |
212 |
89 |
4-16 |
195 |
115 |
91 |
|
80 |
3 |
46 |
160 |
232 |
95 |
8-16 |
195 |
115 |
91 |
|
100 |
4 |
52 |
180 |
280 |
114 |
8-16 |
217 |
137 |
11 |
|
125 |
5 |
56 |
210 |
302 |
127 |
8-16 |
258 |
147 |
122 |
|
150 |
6 |
56 |
240 |
330 |
139 |
8-20 |
299 |
165 |
136 |
|
200 |
8 |
60 |
295 |
419 |
175 |
8-20/12-20 |
349 |
182 |
153 |
|
250 |
10 |
68 |
350/355 |
482 |
203 |
12-20/12-24 |
397 |
199 |
173 |
|
300 |
12 |
78 |
400/410 |
553 |
242 |
12-20/12-24 |
473 |
221 |
192 |
|
350 |
14 |
78 |
460/470 |
635 |
267 |
16-20/16-24 |
560 |
249 |
213 |
|
400 |
16 |
102 |
515/525 |
709 |
301 |
16-24/16-27 |
601 |
280 |
243 |
|
450 |
18 |
114 |
565/585 |
750 |
381 |
20-24/20-27 |
738 |
383 |
356 |
|
500 |
20 |
131 |
620/650 |
840 |
387 |
20-24/20-30 |
738 |
383 |
356 |
|
600 |
24 |
154 |
725/770 |
1021 |
457 |
20-27/20-33 |
940 |
434 |
415 |