產品概述
氣動通風法蘭蝶閥是對于各個行業通風系統而設計的一款閥門,主要由氣動執行器和通風蝶閥裝配而成。通風蝶閥的選材上是根據現場使用高溫和常溫而定的。該閥主要適用于冶金、環保、化工、電站、玻璃等行業中的通風系統管道上。利用壓縮空氣為動力接受工業信號指令,驅動閥桿帶動碟板的旋轉來完成閥門的開關和調節。
產品特點
1、設計新穎合理,結構上,操力矩小。并且操作簡便,開關靈巧啟閉迅速。
2、可根據現場的壓力和溫度來選擇閥門的材料以滿常溫、高溫不同溫度條件等。
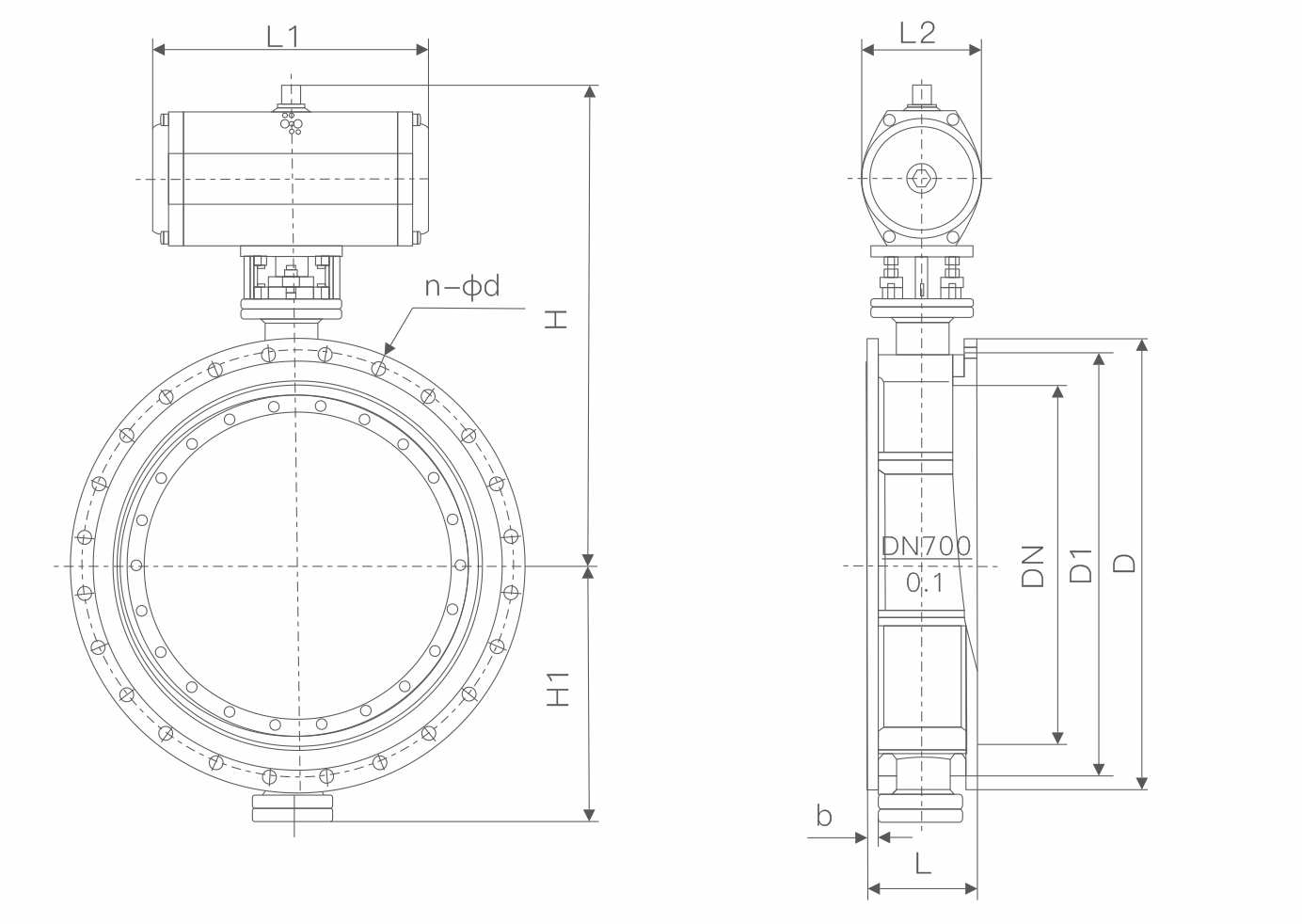
主要連接尺寸
| 公稱通徑 | 結構長度 | 外形尺寸(參考值) | 連接尺寸(標準值) | 重量(kg) | ||||||||
| 0.05MPa和0.25MPa | 0.6MPa | |||||||||||
| 毫米 | 英寸 | L | H | H1 | A | D | D1 | n-d | D | D1 | n-d | |
| 50 | 2 | 108 | 70 | 337 | 180 | 140 | 110 | 4-14 | 140 | 110 | 4-14 | 16 |
| 65 | 2-1/2 | 112 | 80 | 357 | 180 | 160 | 130 | 4-14 | 160 | 130 | 4-14 | 17 |
| 80 | 3 | 114 | 95 | 385 | 180 | 190 | 150 | 4-18 | 190 | 150 | 4-18 | 19 |
| 100 | 4 | 127 | 105 | 405 | 180 | 210 | 170 | 4-18 | 210 | 170 | 4-18 | 22 |
| 125 | 5 | 140 | 120 | 483 | 245 | 240 | 200 | 8-18 | 240 | 200 | 8-18 | 27 |
| 150 | 6 | 140 | 132 | 508 | 245 | 265 | 225 | 8-18 | 265 | 225 | 8-18 | 31 |
| 200 | 8 | 152 | 160 | 566 | 245 | 320 | 280 | 8-18 | 320 | 280 | 8-18 | 47 |
| 250 | 10 | 165 | 187 | 623 | 245 | 375 | 335 | 12-18 | 375 | 335 | 12-18 | 68 |
| 300 | 12 | 178 | 220 | 750 | 355 | 440 | 395 | 12-22 | 440 | 395 | 12-22 | 79 |
| 350 | 14 | 190 | 245 | 803 | 355 | 490 | 445 | 12-22 | 490 | 445 | 12-22 | 130 |
| 400 | 16 | 216 | 270 | 852 | 355 | 540 | 495 | 16-22 | 540 | 495 | 16-22 | 141 |
| 450 | 18 | 222 | 297 | 907 | 355 | 595 | 550 | 16-22 | 595 | 550 | 16-22 | 190 |
| 500 | 20 | 229 | 322 | 960 | 355 | 645 | 600 | 20-22 | 645 | 600 | 20-22 | 225 |
| 600 | 24 | 267 | 377 | 1080 | 550 | 755 | 705 | 20-26 | 755 | 705 | 20-26 | 245 |
| 700 | 28 | 292 | 430 | 1185 | 550 | 860 | 810 | 24-26 | 860 | 810 | 24-26 | 320 |
| 800 | 32 | 318 | 487 | 1300 | 550 | 975 | 920 | 24-30 | 975 | 920 | 24-30 | 405 |
| 900 | 36 | 330 | 537 | 1400 | 550 | 1075 | 1020 | 24-30 | 1075 | 1020 | 24-30 | 500 |
| 1000 | 40 | 410 | 587 | 1500 | 550 | 1175 | 1120 | 28-30 | 1175 | 1120 | 28-30 | 700 |
| 1200 | 48 | 470 | 702 | 1825 | 600 | 1375 | 1320 | 32-30 | 1405 | 1340 | 32-33 | 750 |