產品概述
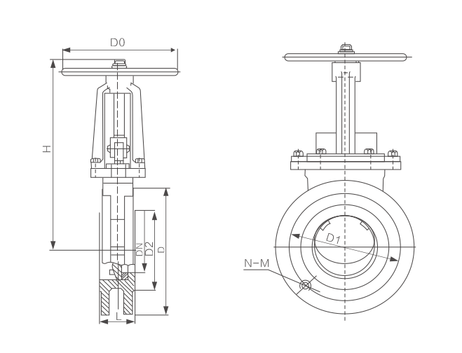
PZ73TC薄型陶瓷排渣漿液閥適用于礦山、造紙、化工等各類有磨損的干粉塵、水、蒸汽等介質在管道上作啟閉之用。適用于發電廠干灰系統、倉泵出料輸送本閥密封性能好,耐磨性強,啟動負荷小,卡灰及積灰現象少,使用壽命長。
手液動陶瓷排渣漿液閥門屬于薄型工程陶瓷排渣液漿閥門的一種,它是專門針對固液兩相流工況介質管道而設計制造的,不僅采用了增韌型工程陶瓷來作為關斷以及抗節流沖刷的主要材料。而且同時設計有以抗節流沖刷為目的的結構形式,滿足該類介質管道的關斷或關斷+節流的雙重使用功能。經多年的實踐證明,與普通排渣液漿閥相比使用壽命得到大幅提高。手液動陶瓷排渣漿液閥門用于因工作場地狹小或者安裝方位等不適合手輪啟閉閥位的安裝。
產品特點
1、密封面材料:結構陶瓷或超硬表面合金材料二種。
2、適用于煤渣,灰渣等氣、固混合介質,閘板、閥座和流道部位采用了結構陶瓷材料制造,耐磨損,長壽命。
3、密封性能優越,并可進行密封面修復。
4、進口閥座可作刮灰板,即使在落灰情況下也關閉自如。
5、閥體腔體結構徹底避免了卡阻、積灰的問題。
6、驅動方式:手動、氣動和電動等。