您當前位置:產品中心 >> 水力控制閥 >> 多功能水泵控制閥
多功能水泵控制閥
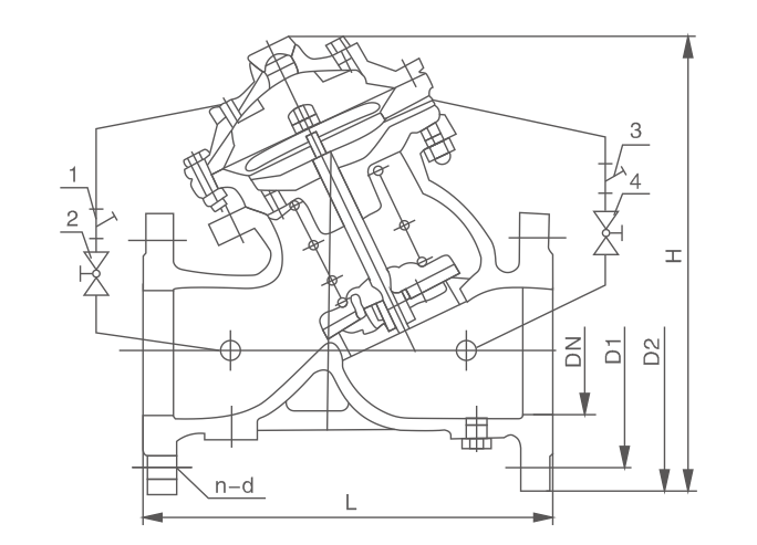
技術參數

產品型號:JD745X

公稱通徑:DN50~600mm

公稱壓力:PN1.0~4.0MPa

適用溫度:0°C~80°C

適用介質:水